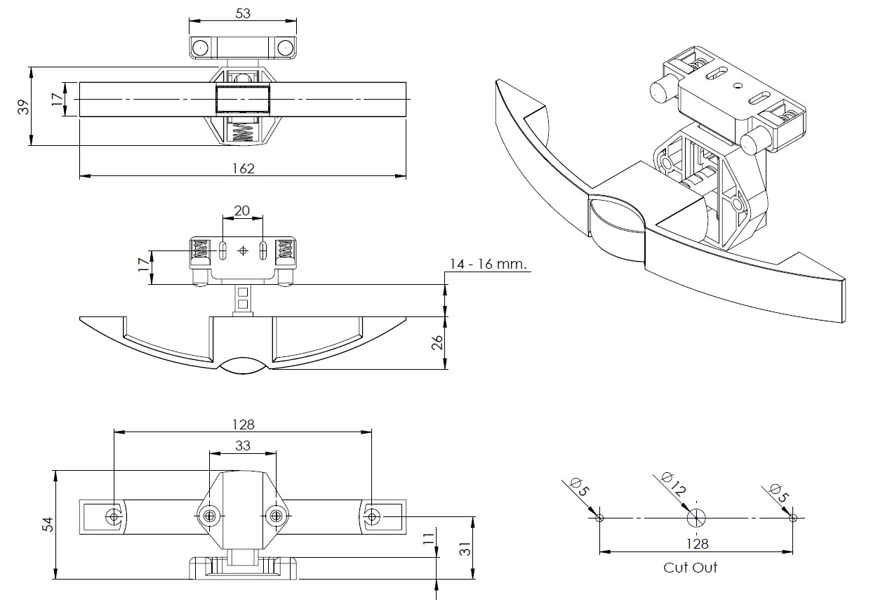
Slam Lock Handle "RV", 14-16mm, cc128mm, SS-Look,Zamak Hand- le & Grey ABS Housing, Incl. Grey ABS Striker W/Spring Tension

Item number: 14.03.072-0