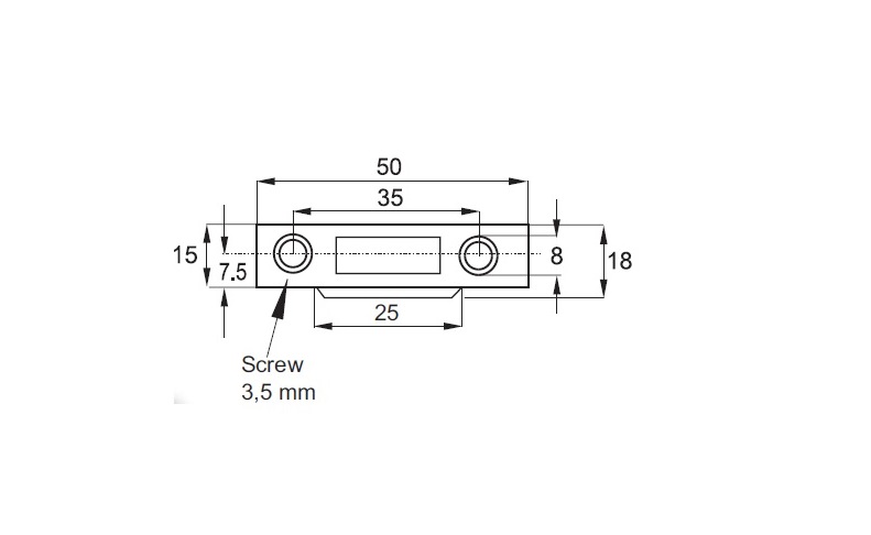
Flat Striking Plate For Slam Lock 856, Nickel Plated

Item number: 14.01.512-0