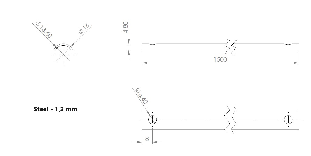
Locking Bar 1500mm, For Pasquil Lock 844, Steel-Yellow Zinc

Item number: 14.05.560-1