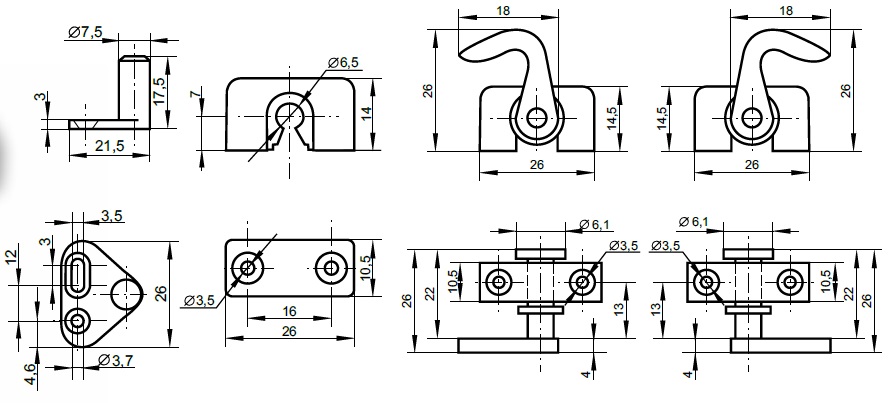
Accessories F/Espagnolet Lock, NPL,W/Triangular Bolt,No Bars

Item number: 14.05.741-0