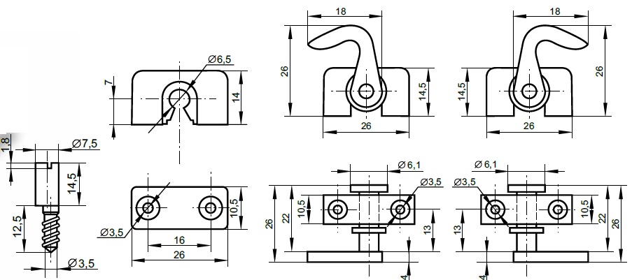
Accessories F/Espagnolet Lock 922, NPL , No Bars

Item number: 14.05.740-0