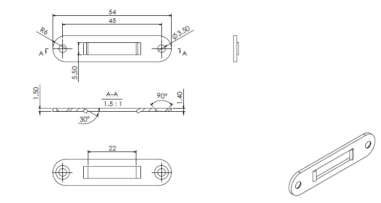
Striker F/Roll Blind Lock 2159, Oval Shaped, Nickel Plated

Item number: 14.01.472-1