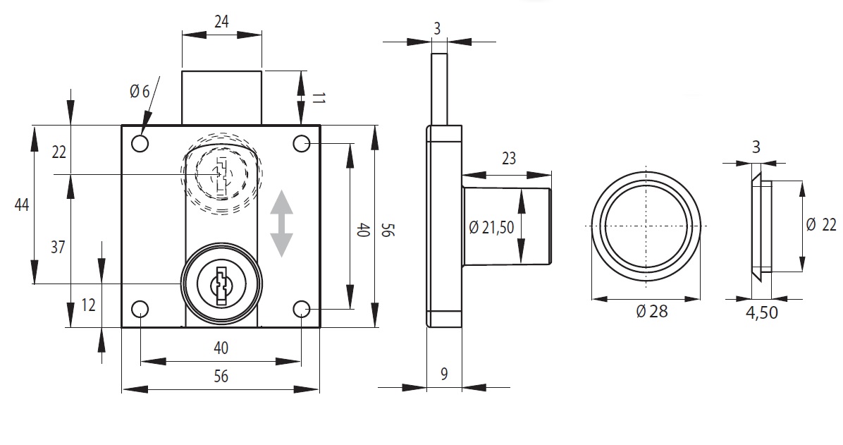
Rim Lock Serbia W/Adjustable Cylinder, ø21,5x23mm, MK SISO, Nickel Pl., Backset From 22 to 44mm

Item number: 14.01.015-2