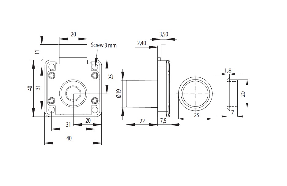
Rim Lock MIC850S, ø19x22mm, Body Only, NPL, F/System #01

Item number: 14.00.225-0