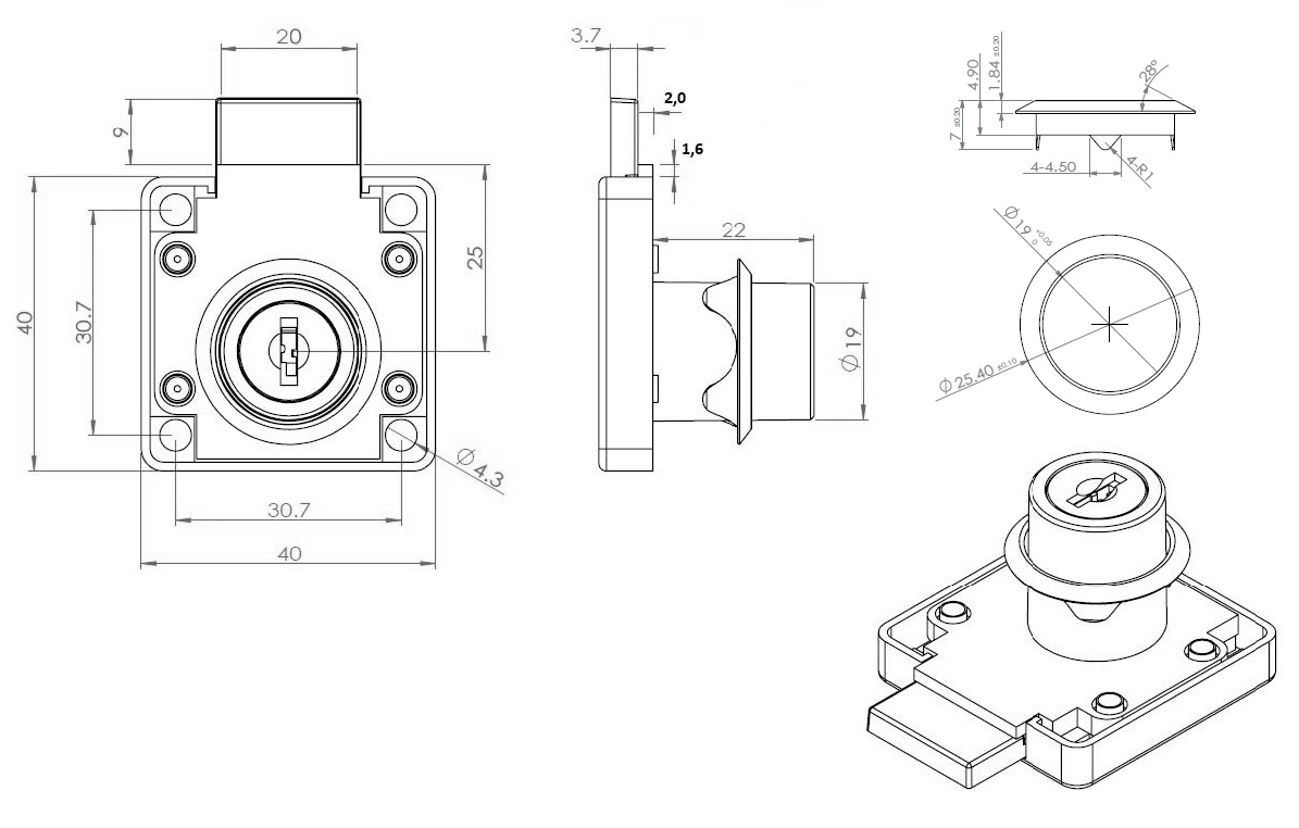
Rim Lock 850, ø19x22mm, Drawer, Alu Finish, CK SISO, KA D20

Item number: 14.01.048-0