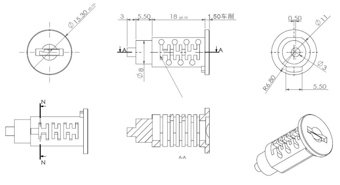
Loose MIC Cylinder #J11,ALU,KA#D20,CK:SISO,F/14.00.106-0

Item number: 14.00.106-9