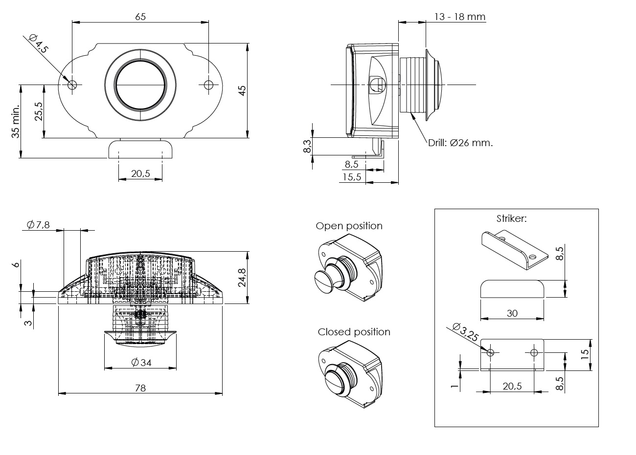
Push Lock "RV", F/13-18 mm,"Round", CPL Plastic Knob & Brown Body, Inkl Steel L-Shaped Striking Plate

Item number: 14.03.047-0