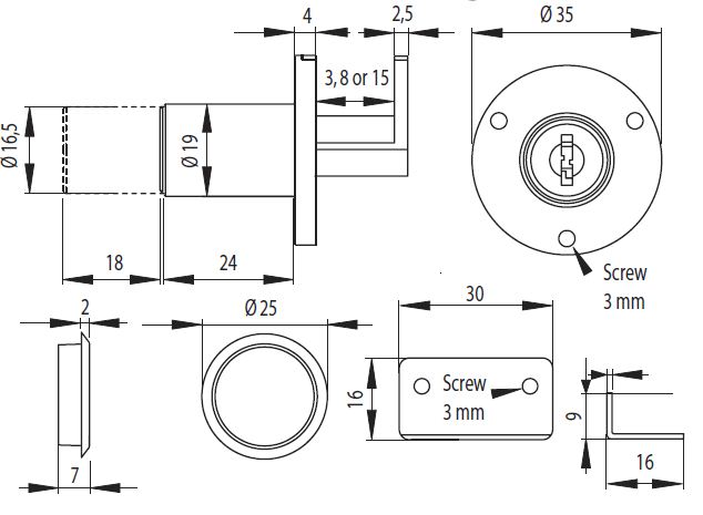
Push Lock M919, NPL, ø19x24mm, HCK SISO, #J11, 15mm L-Tongue Protrusion, 1 Rosette +Striker

Item number: 14.03.004-1