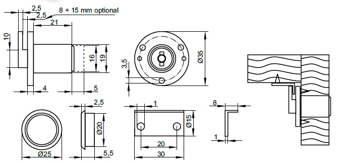
Flap Lock 9411, ø19x20mm, NPL, CK SISO, W/Rosette & Striker

Item number: 14.07.105-0