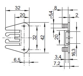
Lyre-Shaped Plastic Catch Guide F/Lay On Bars, Grey

Item number: 14.03.281-0