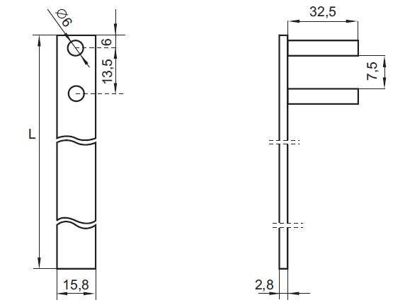
Locking Bar F/Central Lock 1018, 700mm, Aluminium

Item number: 14.04.190-2