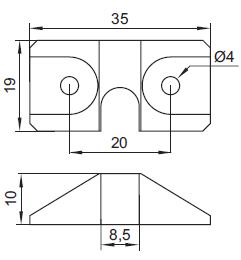
Drawer Stop Plastic For Central Locks, Black, cc 20mm

Item number: 14.02.010-0