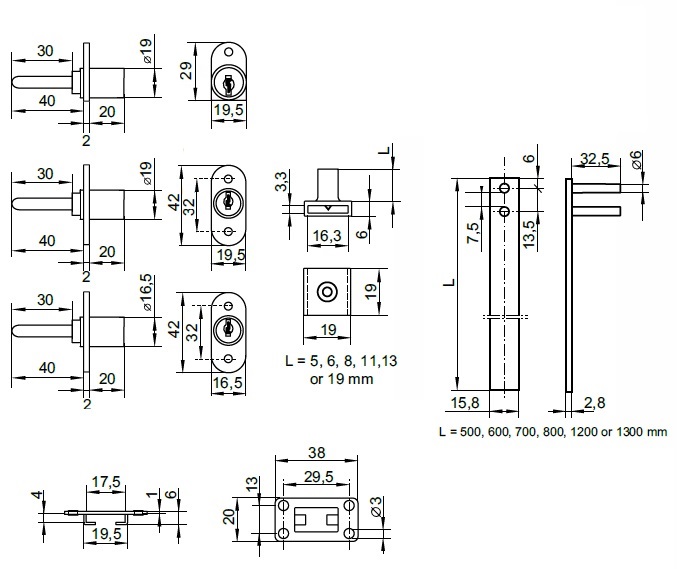
Central Lock 1018/600mm, NPL, ø19x20mm, 40mm Tail, CK SISO, W/600 Locking Bar, 2xMetal Bar Guides & 3x13mm Pegs

Item number: 14.03.127-0