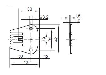
Bar Catch-Lyre Shaped No.1027-10, White Plastic

Item number: 14.03.280-0