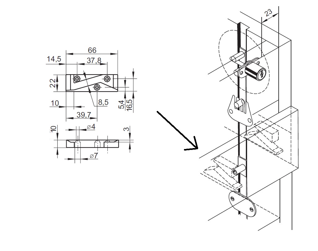
Anti Tilt Block, Right Hand, 1018.030PN, Black 10mm

Item number: 14.03.270-0