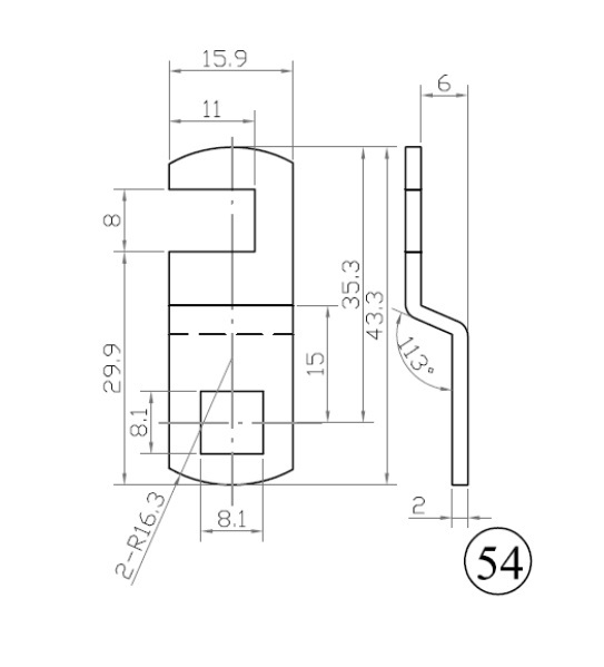
Cam No. 54 For 1900 Series, Cranked 8mm, 40mm C/E

Item number: 14.04.296-0