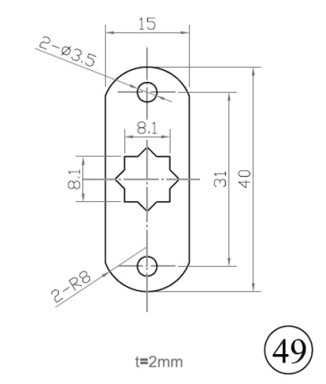
Cam No. 49 For 1900 Series, Straight 20mm C/E

Item number: 14.04.289-0