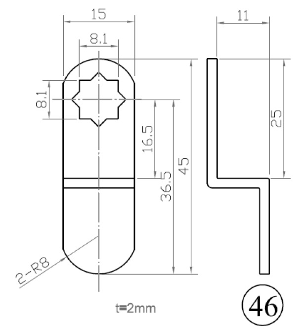
Cam No. 46 For 1900 Series, Cranked 9mm, 36,5mm C/E

Item number: 14.04.286-0