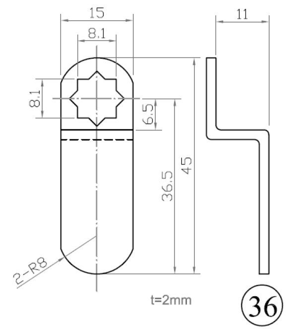
Cam No. 36 For 1900 Series, Cranked 13mm, 36,5mm C/E

Item number: 14.04.276-0