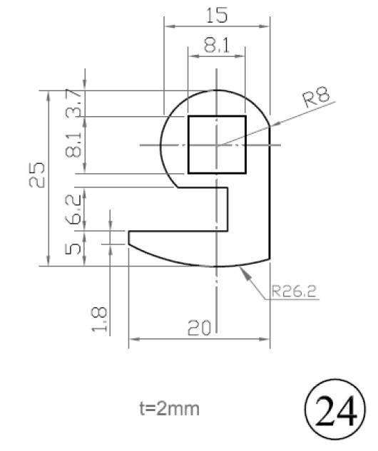
Cam No. 24 For Lock 1900, Straight 14,7mm C/E, Hook

Item number: 14.04.264-0