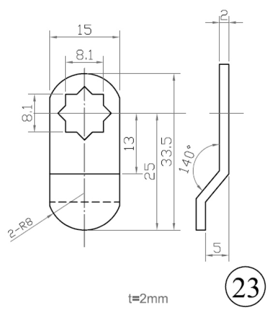
Cam No. 23 For 1900 Series, Cranked 7mm, 13mm C/E

Item number: 14.04.263-0