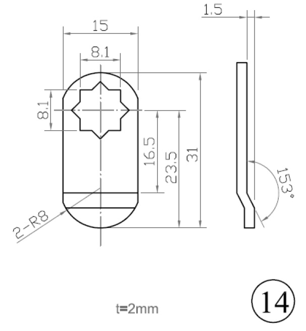
Cam No. 14 For 1900 Series, Cranked 3,5mm, 23,5mm C/E

Item number: 14.04.254-0