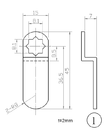
Cam No. 1 For 1900 Series, Cranked 9mm, 36,5mm C/E

Item number: 14.04.241-0