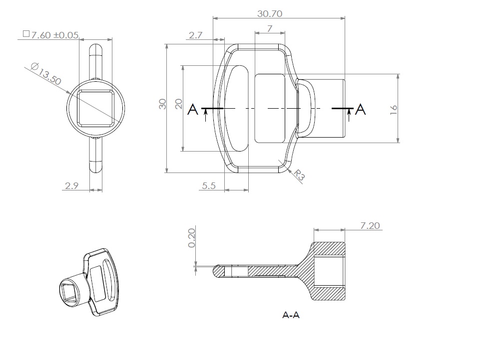
Square Bit Key, Zamak, F/Lock 14.04.481-0

Item number: 14.04.141-0