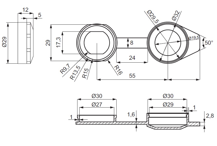
Plastic Cover Cap F/Cam locks 1900 Series, Black PE

Item number: 14.04.560-0