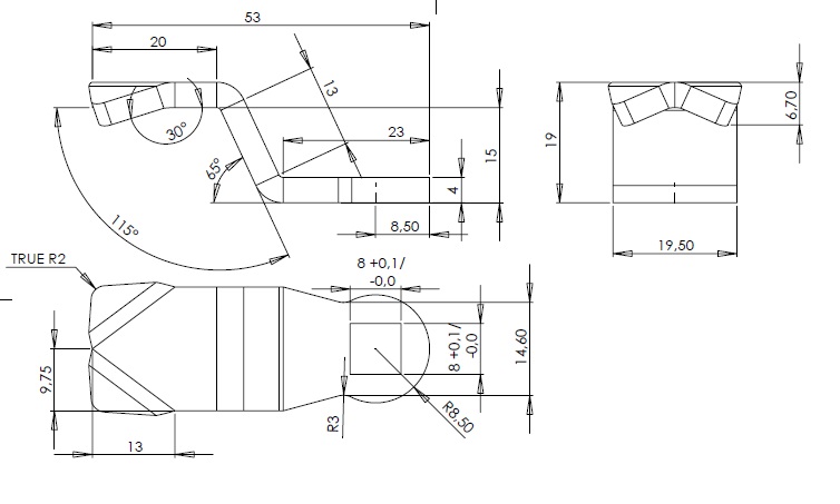
Extra Cam Plate For Lock 14.08.125-0

Item number: 14.08.125-5