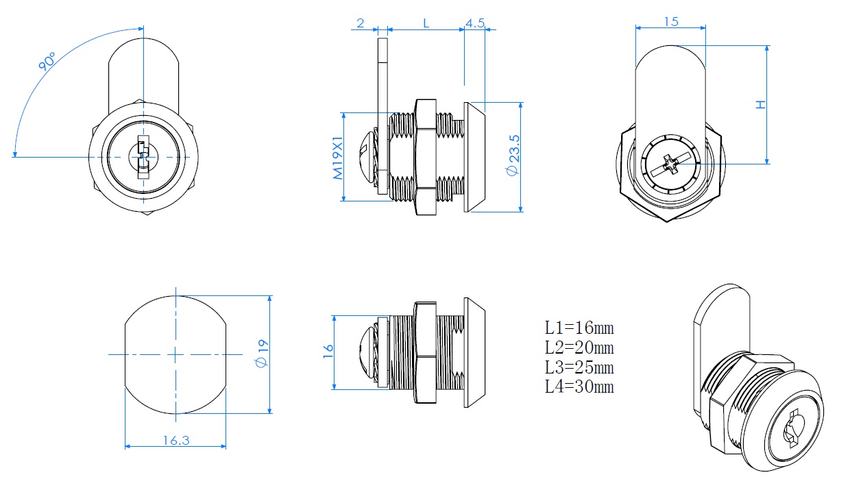
Cam Lock M1920, 90DG, Str. Cam A09, CPL, CK SISO, #J11

Item number: 14.04.486-0