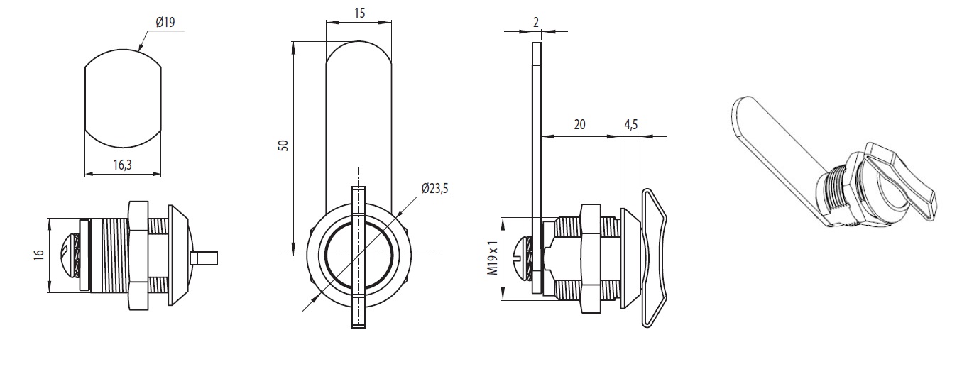
Cam Lock 1920, 90 DG, CPL, Turn Knob, Straight Cam A06

Item number: 14.04.480-0