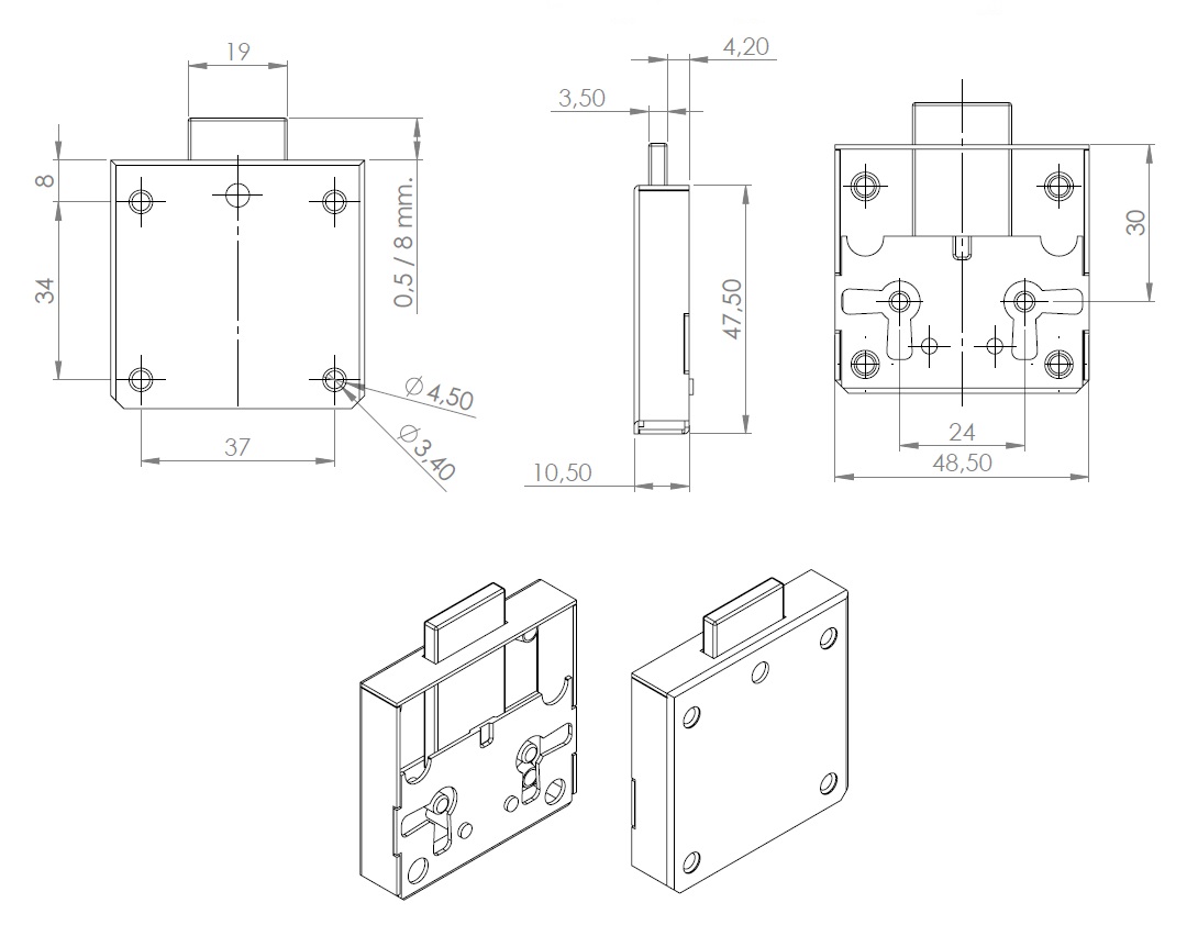
Box Lock 2110 Bronze Pl, 30mm Backset, Without Key

Item number: 14.06.246-1