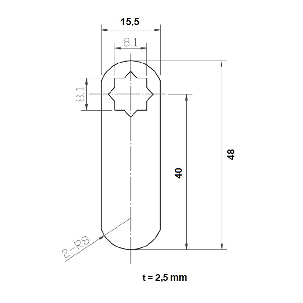
Extra Cam Plate F/Lock M500, Straight CE:40mm

Item number: 14.08.284-0