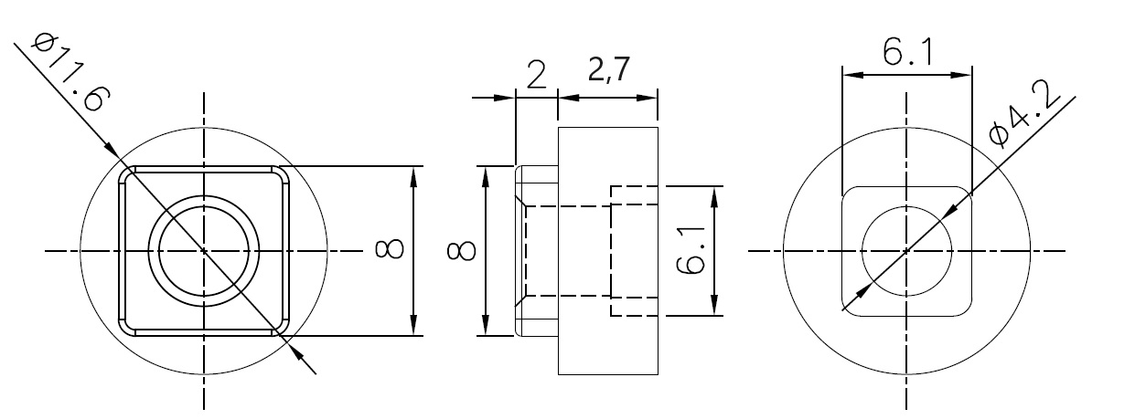
Cam Pl. Converter F/Locks M237/238/266/268/300/316/3001&3002 NPL, 2,7mm Height, Changes Cam Plate Hole from 6 x 6 mm to 8 x 8 mm

Item number: 14.04.567-0