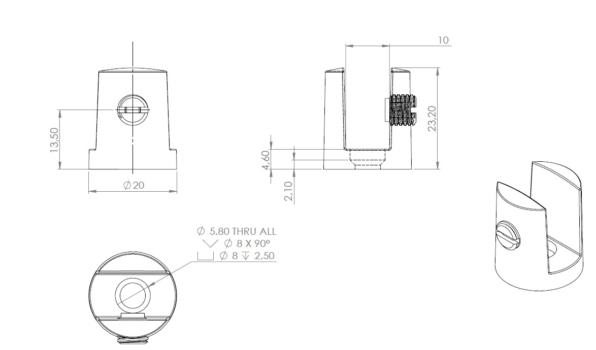
Shelf Support Cylindrical, CPL, ø20mm,Glass Thickness 8-10mm

Item number: 22.02.210-1