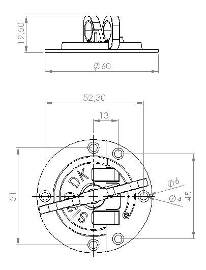
Circular Table Spanner, Nickel Plated, SISO DK Logo

Item number: 24.03.071-1