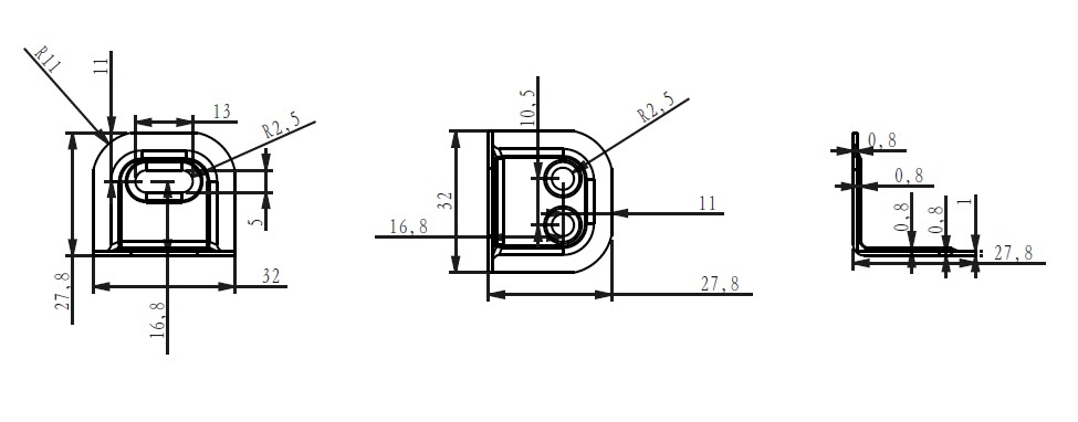
25213 Table Clip, 32x27x27x1mm, Steel Bright Zinc Plated

Item number: 24.09.021-0