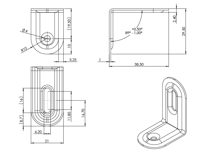
25211 Table Clip, 21x38,5x29,5x1mm, Steel, BZP

Item number: 24.09.010-1