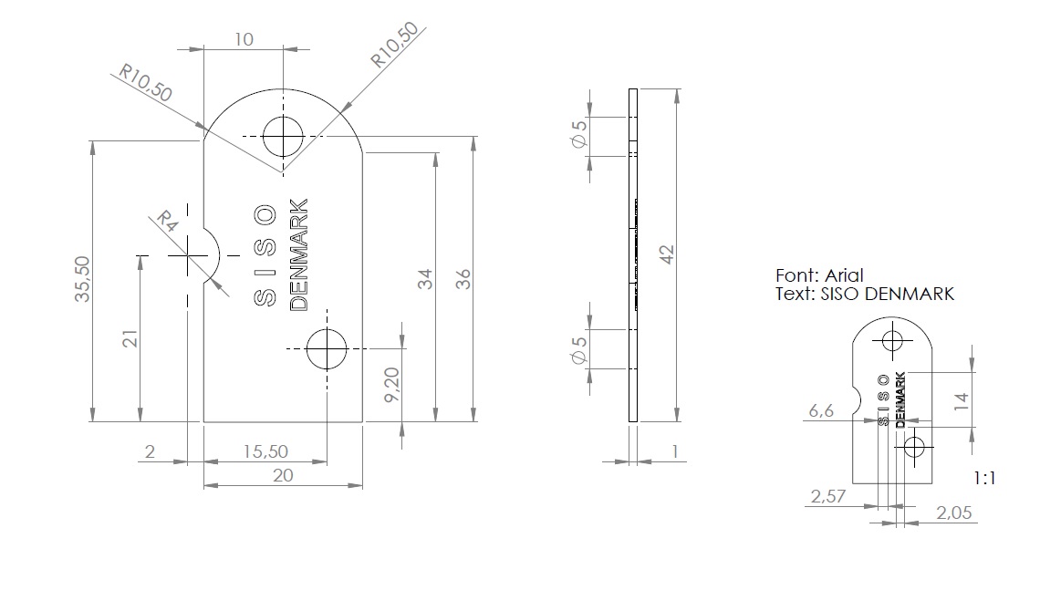
Spacer F/Elu-Hinge 1mm Thickness, YZP(CR3),(Not for 25&30mm)

Item number: 15.80.000-0