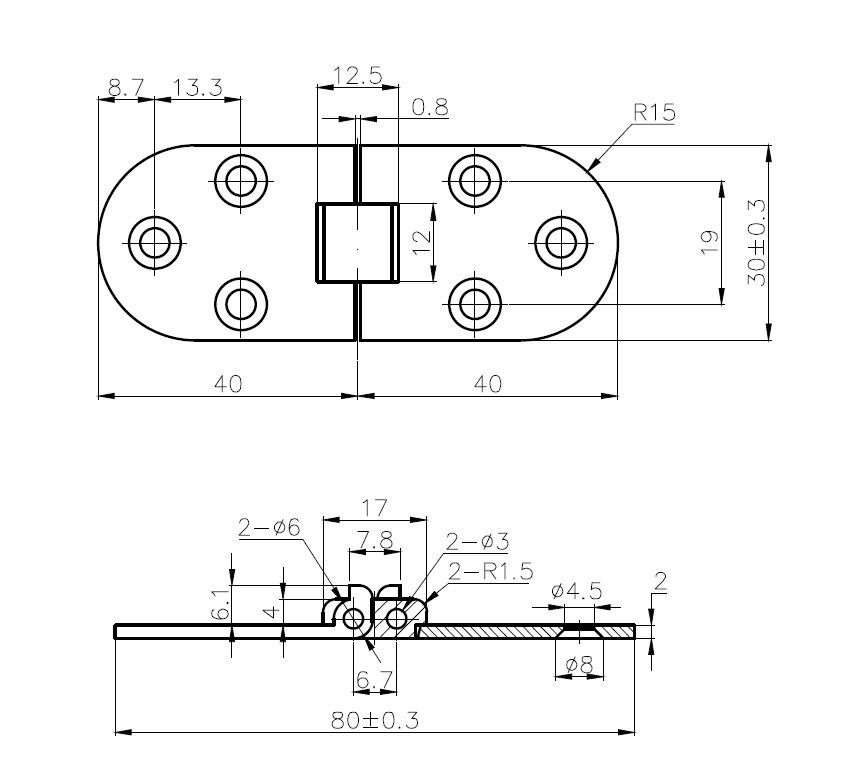
Sewing Table Hinge, Brass, 30x80x2mm, Sanded

Item number: 15.11.310-2