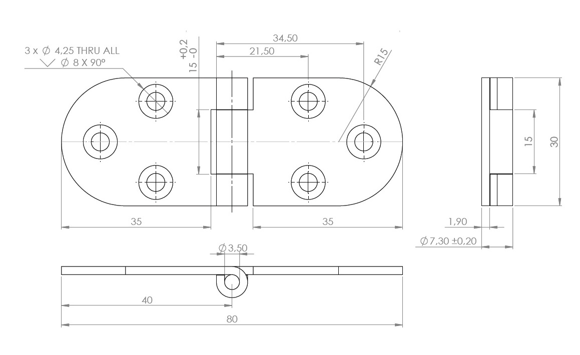
Flap Hinge, Stainless 316, 30x80x2,0mm, Polished

Item number: 15.11.190-2

DOWNLOAD