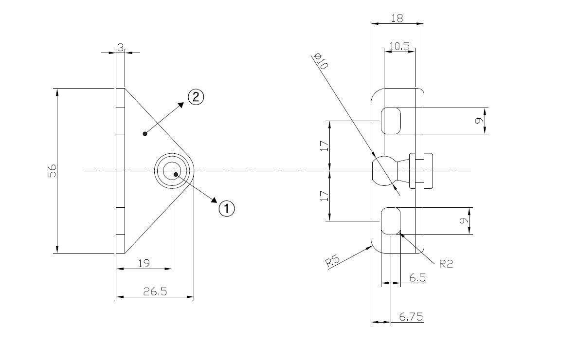
L-Mounting Bracket For Expansion Spring, SS-304

Item number: 15.11.460-1