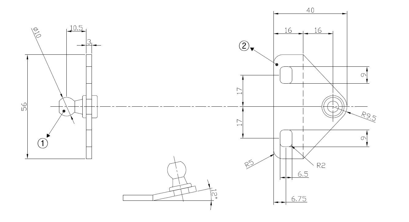
Flat Mounting Bracket For Expansion Spring, SS-304

Item number: 15.11.461-1