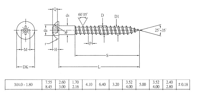
Wood Screw, 4x20mm, Pan Head, DIN 7996, Steel Black Oxi, PZD

Item number: 11.08.298-0