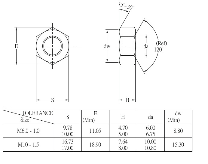
Hexagonal Nut, M6 DIN 934, Steel, Yellow Zinc Pl.

Item number: 12.11.906-0