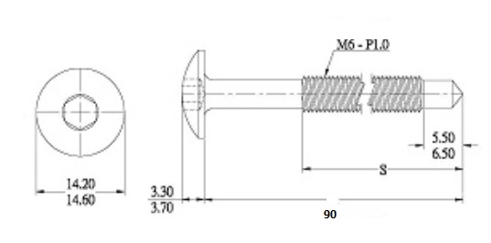
Mushroom Screw, M6x90 (84+6), YZP, Hex 5mm, Pointed

Item number: 12.03.175-0