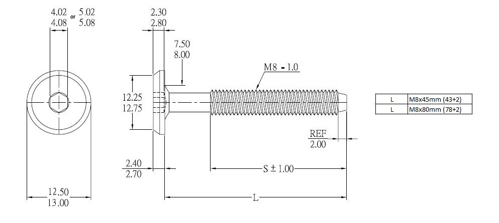
Fifteen Screw, M8x45mm, YZP, Hex 5mm, Conical, Full Thread

Item number: 12.01.250-0