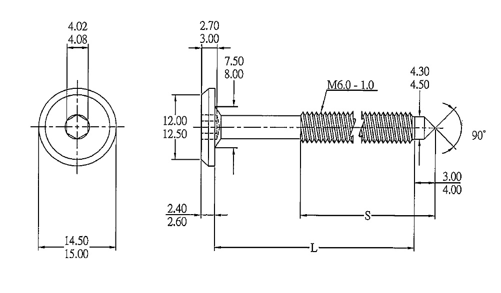
Fifteen Screw, M6x90mm, Nickel Plated, Pointed

Item number: 12.01.077-2