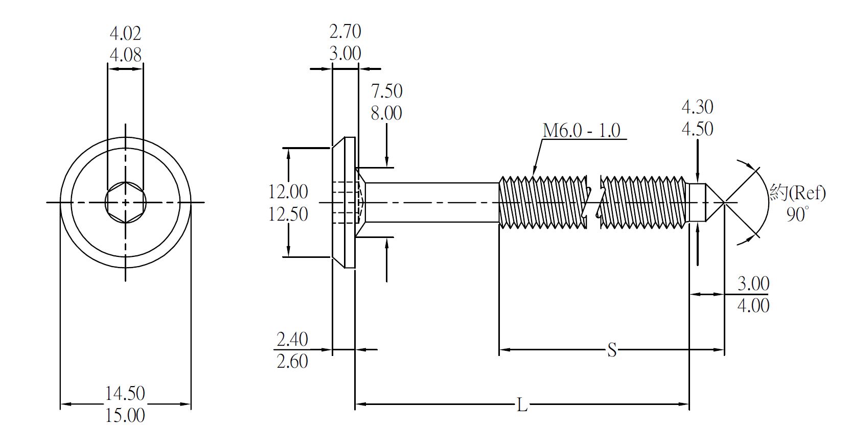
Fifteen Screw, M6x90mm (88+3), YZP, Pointed, (S=49-51mm)

Item number: 12.01.079-2